| Sign In | Join Free | My gastesters.com |
|
Brand Name : Dowis
Model Number : EEL16, EE Series
Certification : CE, UL, RoHs, ISO9001, 16949
Place of Origin : CN
MOQ : 1000pcs
Payment Terms : T/T, L/C
Delivery Time : 3-4Weeks
Packaging Details : Carton Box
Model : DW6317
Name : HF Transformer
Features : High-temperature resistant
Application : Suitable for a wide range of switching power supply/power transformer/ LED driver transformer/current transformer/distribution transformer
Origin : CN
100KHz EEL16 HF Transformer 500Vdc
Features:
1. High quality and Competitive price
2. Good after-sale service
3. High-temperature resistant
4. Supply samples free with the short delivery time
5. Suitable for a wide range of switching power supply/power transformer/ LED driver transformer/current transformer/distribution transformer
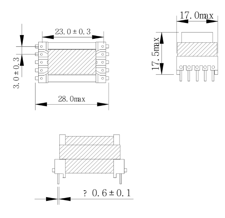
1. Drawing (Unit: mm)

2. Winding Method

3. Winding System Requires
| Winding | PIN Position | Wire & Description | TS | Tape Specification | Turns of Tape | |
| Start | End | |||||
| N1 | 3 | 4 | 1UEWH φ0.28mm*1 | 51 | W18mm | 2 TS |
| N2 | 1 | 2 | 1UEWH φ0.12mm*2 | 12 | W18mm | 2 TS |
| N3 | 9 | 7 | DRTIW-F φ0.45mm*1 | 14 | W18mm | 2 TS |
| N4 | 10 | 8 | DRTIW-Fφ0.45mm*1 | 14 | W18mm | 2 TS |
| N5 | 4 | 5 | 1UEWH φ0.28mm*1 | 51 | W18mm | 2 TS |
4. Environmental Conditions
1. Storage temperature: -40 -- 85℃
2. ambient temperature: -40 -- 85℃
3. working temperature: 130℃MAX
4. relative humidity: 5%-95%
5. Long-term durability test.
5. Electrical characteristics
| Item | Unit | Test Terminal | Test Condition | MIN | NOR | MAX |
| Inductance Value | µH | 3-5 | 100KHz,0.3V, Ser | 610 | 618 | 626 |
| Leakage Value | µH | 3-5 | 100KHz,0.3V, Ser (Short Circuit to Sec) | / | / | / |
| Electric Strength | mA | N1N5-N2 | 1500Vac,60s | / | / | 1 |
| mA | N1N2—Core | 1500Vac,60s | / | / | 1 | |
| mA | N1N2—N4N5 | 1500Vac,60s | / | / | 1 | |
| mA | N3N4—Core | 4000Vac,60s | / | / | 1 | |
| DC Resistance | Ω | 3-5 | 25℃ | / | / | 1.6 |
| mΩ | 1-2 | 25℃ | / | / | 440 | |
| mΩ | 9+10-7+8 | 25℃ | / | / | 45 | |
| Voltage Test | MΩ | Np-Ns | 500Vdc | 100 | / | / |
Shenzhen Dowis Electronics Co., Ltd. is a professional manufacturer of electronic transformers, inductors, and filters integrating R&D, production, and sales. It is a national high-tech enterprise and has passed the IATF16949:2016 automotive industry quality management system certification, the product has passed the "UL" CQC" and other safety certifications. The products are widely used in communication equipment, new energy vehicles, industrial control equipment, high-power LED drives, and other market areas. The industry has high visibility. In addition to the domestic market, but also exported to many countries in Europe and the United States.
In order to further expand production capacity, it has set up a special test area construction area in Zhaoqing YueGui cooperation in 2018 of 14000 square meters of manufacturing center named ZhaoQing Sheng Xiang electronic technology co., Ltd. Its management technical team has rich experience in cooperating with customers from well-known domestic enterprises and overseas. The design of products can fully follow customer’s needs and services with a good quality control system, and it has been recognized by many famous enterprises as the core supplier. We look forward to cooperating with you.
|
|
Dowis 100KHz EEL16 HF Transformer 500Vdc 16949 Certified High Temperature Resistant Images |